| 产品标题:韩国三和SDDR-AF7|韩国三和SDDR自启动继电器 产品ID:VIB20090708213614734 品 牌:韩国三和EOCR 所在地:中国 上海 价 格:面议 (大量采购价格面议) 库存状态:货期待查 更新日期:2025-12-15 22:15:38 咨询电话:(+86)021-51699285 咨询Q Q: 2695337323 |
| SDDR继电器用于接触器控制的电动机拖动,当发生电源瞬时断电而又恢复供电时,它能使系统自动再投入运行 |
| 对发生电源瞬时断电而又恢复供电的,其允许中断时间是可以设定的,但不得大于10秒,通过电位器SDDT鉴定 |
| 恢复供电后,电动机的再启动可以有0-30秒的延迟,通过电位器DOMT鉴定,实现电动机分批启动的目的 |
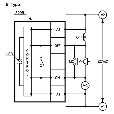
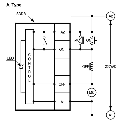
| 适用于两种不同的控制线路,SDDR有A型和B型两种不同的规格 |
韩国三和SDDR 保 护
| |||||||||
| 韩国三和SDDR 技术条件 | ||||||||||||||||||||||||||||
| ||||||||||||||||||||||||||||
| 韩国三和SDDR 典型参考图/接线图/安装尺寸图 | ||||||||||||||||||||||||||||
| ||||||||||||||||||||||||||||
